WANT TO MASTER ELECTRONICS?
Access to 100+ schematics,AI tutor,Ebooks,and more advancedCalculations.
learn more...
Get full access(22$)
Limited time offer.
A diode is an electronic component that allows current to flow in only one direction. It acts like a valve: it lets electricity pass in one direction but blocks it in the other. It consists of two terminals: the anode (positive side) and the cathode (negative side).

That said, there are several types of diodes. Observe the different types along with their corresponding symbols:

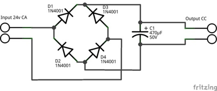
1)- Standard (Silicon) Diode.
Used for rectifying current (e.g., in power supplies).

Example: Diode bridge circuit (converts AC to DC).
2)- Zener Diode.

3)- LED (Light Emitting Diode).
4)- Schottky Diode.
5)- Varicap (Varactor Diode).
6)- Photodiode.
7)- Tunnel Diode (Esaki Diode)
A unique semiconductor device that uses quantum tunneling to exhibit negative resistance.
Key Features:
See other components: